Opis
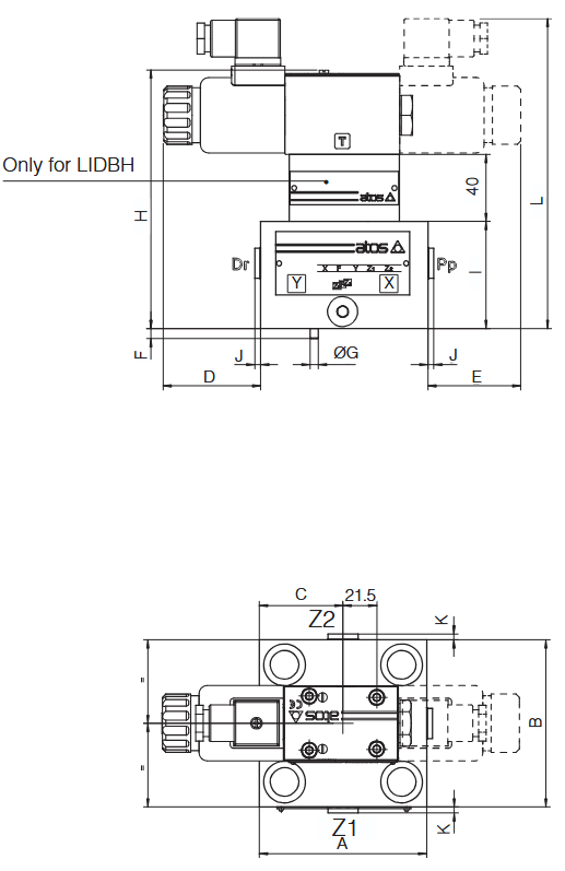
Pokrywa zaworu LIDEW1-3-LX 24DC wyposażona jest w elektrozawór 24 VDC z serii DHL. Służy do zamontowania zaworu slip-in SC LI marki Atos. Pokrywa służy do blokowania lub umożliwiania przepływu zgodnie z wybranym sterowaniem pilotującym.
Dane techniczne
| Ciśnienie maksymalne | - | 420 [bar] 42 [MPa] |
| Maksymalne natężenie przepływu | - | do 1000 l/min |
| Rozmiar | - | NG32 |
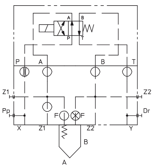
| Schemat hydrauliczny pokrywy | - | ![]() |
| Typ zaworów | - | SC LI-32, SC LIR-32 |
| Masa | - | 4 [kg] |
Pobierz katalog
| A [mm] | B [mm] | C [mm] | D max [mm] | E max [mm] | F [mm] | G [mm] | H max [mm] | I [mm] | L max [mm] | Uszcz. | Rozm. śrub | Moment dokręcenia [Nm] |
| 100 | 100 | 50 | 156 | 42,5 | 6 | 5 | 100,5 | 50 | 135 | 4 OR-2043 | N°4 M16x55 | 300 |

Zapytaj inżyniera
+48 22 203 5079
Odpowiedzialność za produkt
Marka: Atos
Podmiot odpowiedzialny: Hektos
Zapoznaj się z regulaminem
Prawa autorskie: produkt, nazwy handlowe: Atos, Hektos - ® zastrzeżone; tekst, projekt, zdjęcia: Hektos - © zastrzeżone