Opis
Pompa łopatkowa TQ04 (B&C) z przekazaniem napędu połączona z pompą tłoczkową XAi18 (Hydro Leduc) - to rozwiązanie pozwala na uzyskanie dwóch strumieni oleju:
- I strumień z pompy łopatkowej może wynosić aż do 177 l/min (przy 1500 obr/min i 7 bar) przy małym ciśnieniu pracy,
- pompa tłoczkowa XAi18 może pracować pod wysokim ciśnieniem ciągłym - aż do 380 bar, a strumień to ok. 26 l/min (przy 1500 obr/min).
Tandem pomp wymaga podłączenia 2 przewodów ssących.
Pompy można konfigurować w zależności od dostępnej mocy po stronie silnika elektrycznego lub spalinowego i wymagań urządzenia.
B&C oferuje 5 wielkości wkładów do pomp łopatkowych TQ04, a ponadto również serie TQ02 i TQ05, które również można połączyć z pompami tłoczkowymi XAi lub W marki Hydro Leduc.
Wielkości pomp tłoczkowych proponowanych przez Hydro Leduc zaczynają się od 5 cm3/obr.
Jeśli szukasz takiego rozwiązania do swojej maszyny, skontaktuj się z nami: shop@hektos.eu lub +48 22 203 5079.
Parametry
| Parametry hydrauliczne pompy łopatkowej TQ04 | ||
| Objętość geometryczna | - | w zależności od wkładu: A04-21: 69 [cm3/obr] A04-25: 81,6 [cm3/obr] A04-30: 97,7 [cm3/obr] A04-35: 112,7 [cm3/obr] A04-38: 121,6 [cm3/obr] |
| Natężenie przepływu przy 1000 obr/min i 7 bar | - | w zależności od wkładu: A04-21: 66,3 [l/min] [dm3/min] A04-25: 78,3 [l/min] [dm3/min] A04-30: 94,8 [l/min] [dm3/min] A04-35: 109,7 [l/min] [dm3/min] A04-38: 116,6 [l/min] [dm3/min] |
| Natężenie przepływu przy 1500 obr/min i 7 bar | - | w zależności od wkładu: A04-21: 79,5 [l/min] [dm3/min] A04-25: 94,0 [l/min] [dm3/min] A04-30: 113,8 [l/min] [dm3/min] A04-35: 131,6 [l/min] [dm3/min] A04-38: 139,9 [l/min] [dm3/min] |
| Maksymalne ciśnienie pracy ciągłej | - | 210 [bar] 21 [MPa] |
| Minimalna prędkość obrotowa | - | 600 [obr/min] [min-1] |
| Maksymalna prędkość obrotowa | - | w zależności od wkładu: A04-21, 25, 30: 2700 [obr/min] [min-1] A04-35, 38: 2500 [obr/min] [min-1] |
| Masa | - | 28,7 [kg] |
| Parametry hydrauliczne pompy tłoczkowej XAi18 | ||
| Objętość geometryczna | - | 18 [cm3/obr] |
| Natężenie przepływu przy 1000 obr/min | - | ~18,9 [l/min] [dm3/min] |
| Natężenie przepływu przy 1500 obr/min | - | ~26,5 [l/min] [dm3/min] |
| Maksymalne ciśnienie pracy ciągłej | - | 380 [bar] 38 [MPa] |
| Maksymalne ciśnienie pracy szczytowej | - | 420 [bar] 42 [MPa] |
| Maksymalna prędkość obrotowa | - | 2400 [obr/min] [min-1] |
| Masa | - | 10,5 [kg] |
Montaż
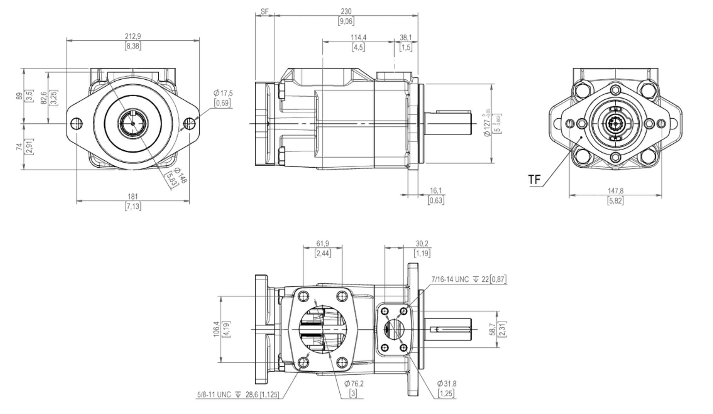
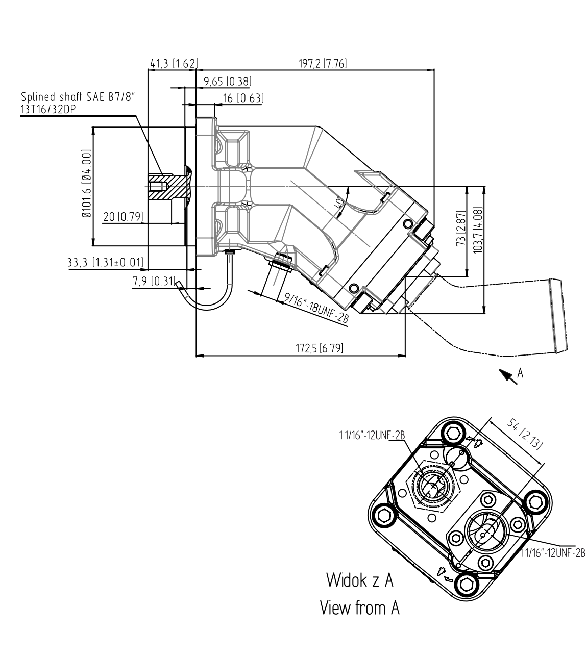
Wymiary pompy TQ04



Pobierz katalog
Łącze do pliku pdf z wymiarami i danymi technicznymi pomp TQ-TV
Łącze do pliku pdf z wymiarami i danymi technicznymi pomp XAi
Zapytaj inżyniera
+48 22 203 5079
Odpowiedzialność za produkt
Marka: B&C, Hydro Leduc
Podmiot odpowiedzialny: Hektos
Prawa autorskie: produkt, nazwy handlowe: B&C, Hydro Leduc, Hektos - ® zastrzeżone; tekst, projekt, zdjęcia: Hektos - © zastrzeżone
Hydro Leduc to francuski producent elementów hydrauliki. Od dziesiątków lat oferuje i udoskonala pompy hydrauliczne, hydroakumulatory, silniki i układy mikrohydrauliczne. Hydro Leduc jest właścicielem wielu patentów. Jest także dostawcą wyrafinowanych rozwiązań do wymagających zastosowań jak przemysł lotniczy, poszukiwania ropy i złóż surowców, wojsko i przemysł ciężki.
B&C - włoski producent pomp łopatkowych mieści się w Modenie. Znajduje się tam dział administracji, zarządzania, zakupów, sprzedaży, planowania produkcji, dział badawczo-rozwojowy, magazyny, pakowanie i wysyłka. Bezpośrednia produkcja zlokalizowana jest w fabrykach we Florencji i Reggio Emilia. System jakości ISO 9001 utrzymywany jest we wszystkich trzech lokalizacjach. Pompy i wkłady do pomp B&C są zamienne z odpowiednikami wielu innych producentów. Każdy egzemplarz produktu sprawdzany jest na stanowiskach testowych zgodnie z odpowiednią procedurą systemu certyfikacji i kontroli jakości ISO 9001 w B&C. Hektos współpracuje z B&C od 2008 r.